Psychrometric Hvac Simulation for PC Windows

Psychrometric Hvac Simulation for Windows

Education For all ages For all ages
1 $14.99

Overview

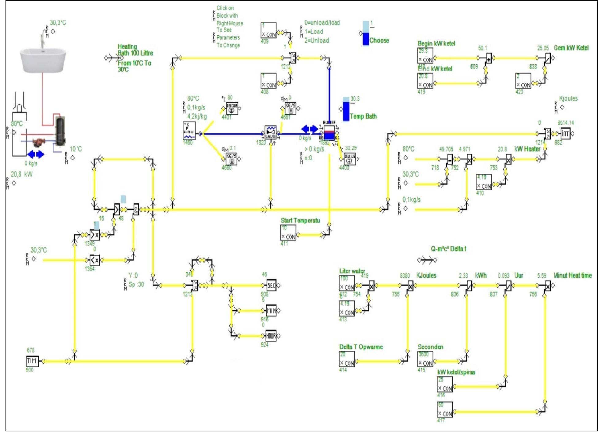
Psychrometric Hvac Simulation Pro is an easy to use Psychrometric Chart with which you can make calculations of air treatment processes. Also Calculator and Hvac Simply Lite. 20 Samples of Models Simulation Hvac Installations : Crossflow Bath Heating Solar saving Heatpump Air/Water '' '' Water/Water '' '' Air/Air Twincoil Swimming Pool Heatwheel Heatpump COP Calculation Waterfall Weather Hospital Dry Wheel Boiler Profit/Condensation P Controller

Features

Easy to use Psychrometric Chart,Calculator and Models Hvac Installations

Additional Information

  • Developed by Piet Tadema
  • Version 2022.03.12
  • Requires

    Available on: PC

    OS: Windows 10 version 14393.0 or higher

    Memory: Not specified

  • Published 2021-12-30
  • Size 11.5 MB
  • File Type appx/msix
  • Language
    English (United States)
  • Permissions

    Uses all system resources

    Access your Internet connection

  • Microsoft Store ID 9p17s7m5xxfh

How to download and install Psychrometric Hvac Simulation from the Microsoft

To download and install Psychrometric Hvac Simulation for PC from Microsoft, here are two methods you can follow. You can access the app directly on the Microsoft Store.

Method 1: Download and Install via the Microsoft Store

This is the most straightforward and secure way to get Psychrometric Hvac Simulation.

Step 1: Open the Microsoft Store

  • Click the Start Menu (Windows logo) at the bottom-left corner of your screen.
  • Search for Microsoft Store in the search bar and open it.
  • Step 2: Search for Psychrometric Hvac Simulation

  • In the Microsoft Store, type Psychrometric Hvac Simulation into the search bar at the top and press Enter.
  • Select the app from the search results to open its detail page.
  • Step 3: Download and Install

  • Click the Get button (if the app is free) or Install to begin the download.
  • The app will automatically install after the download is complete.
  • Step 4: Access the App

  • Once installed, you can find Psychrometric Hvac Simulation in your Start Menu or Apps List.
  • Open the app and follow the on-screen instructions to use.
  • Method 2: Download from the Official Microsoft Website

    If you prefer downloading directly from the web, you can use the official Microsoft website.

    Step 1: Visit the Psychrometric Hvac Simulation Page

  • Open your browser and go to the Psychrometric Hvac Simulation page
  • Step 2: Download the App

  • Click the Get in Store app button on the webpage.
  • This will redirect you to the Microsoft Store app on your PC.
  • Step 3: Install Psychrometric Hvac Simulation

  • Follow the same steps as in Method 1 to download and install Psychrometric Hvac Simulation.
  • Step 4: Use Psychrometric Hvac Simulation

  • Launch Psychrometric Hvac Simulation from your Start Menu or Apps List.
  • Tips for a Smooth Installation

  • Ensure your PC is connected to the internet.
  • Keep your Windows operating system updated for the best performance.
  • Conclusion:

    Both methods ultimately utilize the Microsoft Store, ensuring the app's safety and reliability. Whether you prefer browsing within the Store or starting via the website, both approaches lead you to successfully download and install Psychrometric Hvac Simulation.
    Psychrometric Hvac Simulation for PC Windows

    Psychrometric Hvac Simulation for PC

    1 $14.99

    Psychrometric Hvac Simulation FAQs

    How to download and Install Psychrometric Hvac Simulation on Windows PC via the NWindows Store
    How to Search and Download Psychrometric Hvac Simulation for PC Windows?

    Old versions

    Psychrometric Hvac Simulation 2022.03.12

    EXE
    MSIX
    APPX
    32 bit
    64 bit
    2022-03-12

    Psychrometric Hvac Simulation for PC Windows

    Share this app