Mollier_Hvac_Simulation_2 for PC Windows

Mollier_Hvac_Simulation_2 for Windows

Education For all ages For all ages
1 $14.99
Easy to use Mollier Diagram ,Calculator and 20 Hvac Models Heat Pump ,Twincoil,Heatwheel etc.

Overview

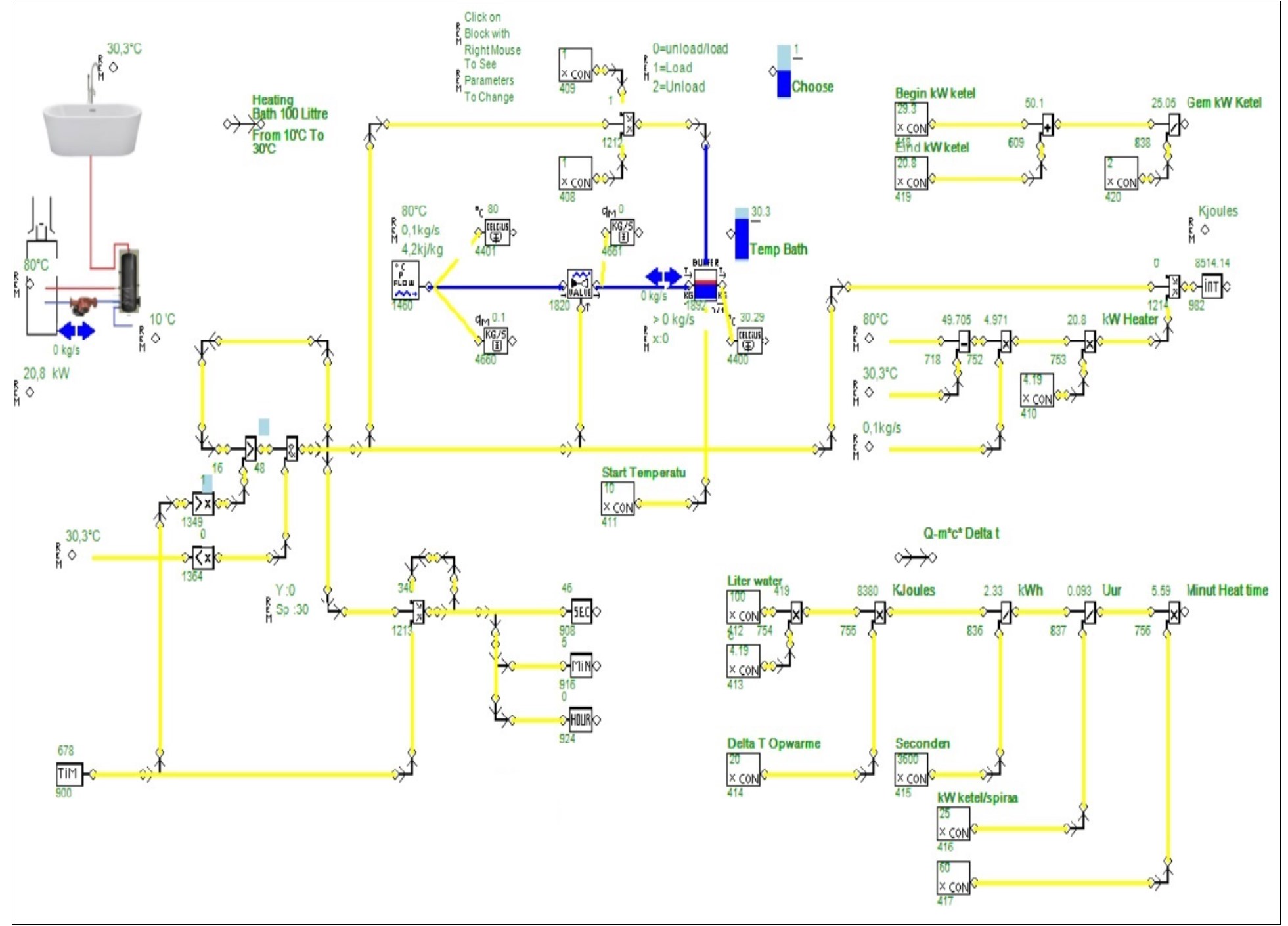
Mollier Hvac Simulation Pro is an easy to use mollier diagram with which you can make calculations of air treatment processes. Also Calculator and Hvac Simply Lite. 20 Samples of Models Simulation Hvac Installations : Crossflow Bath Heating Solar saving Heatpump Air/Water '' '' Water/Water '' '' Air/Air Twincoil Swimming Pool Heatwheel Heatpump COP Calculation Waterfall Weather Hospital Dry Wheel Boiler Profit/Condensation P Controller

Features

Easy to use Mollierdiagram,Calculator and models Hvac Installation

Additional Information

  • Developed by Piet Tadema
  • Version 2022.03.13
  • Requires

    Available on: PC

    OS: Windows 10 version 14393.0 or higher

    Keyboard: Not specified

    Mouse: Not specified

    Memory: Not specified

  • Published 2021-12-17
  • Size 11.65 MB
  • File Type appx/msix
  • Language
    English (United States)
  • Permissions

    Uses all system resources

    Access your Internet connection

  • Microsoft Store ID 9pmv1fpwrbbc

How to download and install Mollier_Hvac_Simulation_2 from the Microsoft

To download and install Mollier_Hvac_Simulation_2 for PC from Microsoft, here are two methods you can follow. Easy to use Mollier Diagram ,Calculator and 20 Hvac Models Heat Pump ,Twincoil,Heatwheel etc.. You can access the app directly on the Microsoft Store.

Method 1: Download and Install via the Microsoft Store

This is the most straightforward and secure way to get Mollier_Hvac_Simulation_2.

Step 1: Open the Microsoft Store

  • Click the Start Menu (Windows logo) at the bottom-left corner of your screen.
  • Search for Microsoft Store in the search bar and open it.
  • Step 2: Search for Mollier_Hvac_Simulation_2

  • In the Microsoft Store, type Mollier_Hvac_Simulation_2 into the search bar at the top and press Enter.
  • Select the app from the search results to open its detail page.
  • Step 3: Download and Install

  • Click the Get button (if the app is free) or Install to begin the download.
  • The app will automatically install after the download is complete.
  • Step 4: Access the App

  • Once installed, you can find Mollier_Hvac_Simulation_2 in your Start Menu or Apps List.
  • Open the app and follow the on-screen instructions to use.
  • Method 2: Download from the Official Microsoft Website

    If you prefer downloading directly from the web, you can use the official Microsoft website.

    Step 1: Visit the Mollier_Hvac_Simulation_2 Page

  • Open your browser and go to the Mollier_Hvac_Simulation_2 page
  • Step 2: Download the App

  • Click the Get in Store app button on the webpage.
  • This will redirect you to the Microsoft Store app on your PC.
  • Step 3: Install Mollier_Hvac_Simulation_2

  • Follow the same steps as in Method 1 to download and install Mollier_Hvac_Simulation_2.
  • Step 4: Use Mollier_Hvac_Simulation_2

  • Launch Mollier_Hvac_Simulation_2 from your Start Menu or Apps List.
  • Tips for a Smooth Installation

  • Ensure your PC is connected to the internet.
  • Keep your Windows operating system updated for the best performance.
  • Conclusion:

    Both methods ultimately utilize the Microsoft Store, ensuring the app's safety and reliability. Whether you prefer browsing within the Store or starting via the website, both approaches lead you to successfully download and install Mollier_Hvac_Simulation_2.
    Mollier_Hvac_Simulation_2 for PC Windows

    Mollier_Hvac_Simulation_2 for PC

    1 $14.99

    Mollier_Hvac_Simulation_2 FAQs

    How to download and Install Mollier_Hvac_Simulation_2 on Windows PC via the NWindows Store
    How to Search and Download Mollier_Hvac_Simulation_2 for PC Windows?

    Old versions

    Mollier_Hvac_Simulation_2 2022.03.13

    EXE
    MSIX
    APPX
    32 bit
    64 bit
    2022-03-13

    Mollier_Hvac_Simulation_2 for PC Windows

    Share this app